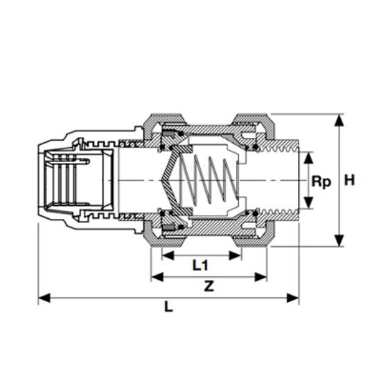
U-PVC ОДНОСТОРОННИЙ ОБРАТНЫЙ КЛАПАН С ВНУТРЕННЕЙ РЕЗЬБОЙ

36a1422e0c9de37f32ee0a8f552ebbdb
20a2e2b6fdde1bed8d8fe406657fc9fc
ДИАМЕТР DIA
20
25
32
40
50
63
75
90
110
PN
PN16
PN16
PN16
PN16
PN16
PN16
PN16
PN16
PN16
АРТИКУЛ
EX215010202
EX215010252
EX215010322
EX215010402
EX215010502
EX215010632
EX215010752
EX215010902
EX215011102
Z ( MM )
52
58
61
73
82
95
118
139
165
L ( MM )
150
165
182
205
240
275
310
360
420
L (MM)
150
165
182
205
240
275
310
360
420
H (MM)
54
62
66
84
92
116
146
178
210