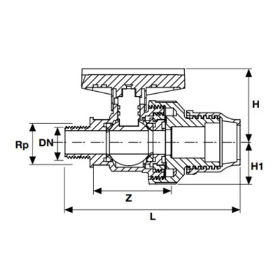
U-PVC ШАРОВОЙ КЛАПАН С ОДНОСТОРОННЕЙ НАРУЖНОЙ РЕЗЬБОЙ

81e0a7c4a136b1f88862faec44c8f7c5
b44160ca3867aba856e2d6237defa771
ДИАМЕТР DIA
20
25
32
40
50
63
75
90
120
PN
PN16
PN16
PN16
PN16
PN16
PN16
PN16
PN16
PN16
АРТИКУЛ
EX233200202
EX233200252
EX233203222
EX233200402
EX233200502
EX233200632
EX233200752
EX233200902
EX233201202
Z ( MM )
52
58
61
73
82
95
118
139
165
L ( MM )
204
208
120
158
175
190
225
260
305
L (MM)
204
208
120
158
175
190
225
260
305
H (MM)
47
51
63
67
86
201
120
137
150