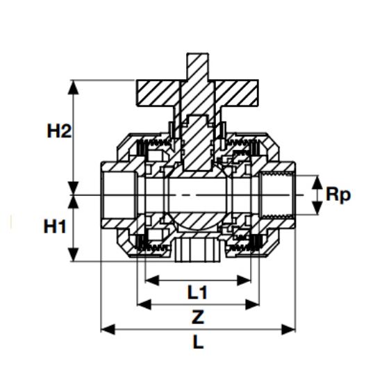
U-PVC ШАРОВОЙ КЛАПАН TRUE UNION, МОНТАЖНЫЙ НА ПРИВОДЕ С СОЕДИНЕНИЕМ (ОДНА СТОРОНА С ВНУТРЕННЕЙ РЕЗЬБОЙ)

f8bbc8444b375827aa7b08d421fec667
29d1f44e4d649341c22e1b5dc4cadc9a
ДИАМЕТР DIA
20
25
32
40
50
63
75
90
110
PN
PN16
PN16
PN16
PN16
PN16
PN16
PN16
PN16
PN16
(PN)
PN16
PN16
PN16
PN16
PN16
PN16
PN16
PN16
PN16
АРТИКУЛ
300030202
300030252
300030322
300030402
300030502
300030632
300030752
300030902
300031102
L (MM)
85
95
107
128
154
172
196
241
289
L ( MM )
85
95
107
128
154
172
196
241
289
H (MM)
27
31
33
41
46
58
65
89
105
H2 (MM)
79
87
91
107
127
164
178
226
258