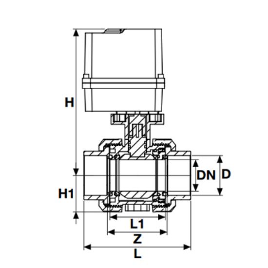
U-PVC ШАРОВОЙ КЛАПАН TRUE UNION С ЭЛЕКТРИЧЕСКИМ ПРИВОДОМ КЛЕЕВОЕ СОЕДИНЕНИЕ 110-260 V AC

90bc2a0e78a85822b235ca3a41f64a7a
07abcc8ce2c0ba47228b144ee1ad102a
ДИАМЕТР DIA
20
25
32
40
50
63
75
90
110
PN
PN16
PN16
PN16
PN16
PN16
PN16
PN16
PN16
PN16
(PN)
PN16
PN16
PN16
PN16
PN16
PN16
PN16
PN16
PN16
АРТИКУЛ
301000202
301000252
301000322
301000402
301000502
301000632
301000752
301000902
301001102
L ( MM )
85
95
107
128
154
172
196
241
289
L (MM)
85
95
107
128
154
172
196
241
289
H (MM)
209
215
225
238
253
288
305
352
385
H1 (MM)
27
31
33
41
46
58
65
89
105