U-PVC ШАРОВОЙ КЛАПАН ДЛЯ КЛЕЕВОГО СОЕДИНЕНИЯ ЭЛЕКТРИЧЕСКИЙ ПРИВОД 110-260 V AC

640998ab4ca9e1fd3b86d9ab3f0f3809
d3506b989795d498b26a7c90fe020854
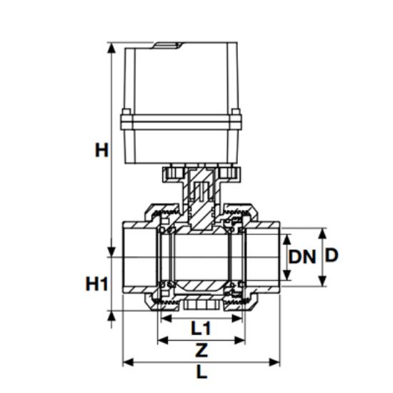
ДИАМЕТР DIA
20
25
32
40
50
63
75
90
110
(PN)
PN16
PN16
PN16
PN16
PN16
PN16
PN16
PN16
PN16
АРТИКУЛ
301300202
301300252
301300322
301300402
301300502
301300632
301300752
301300902
301301102
L (MM)
85
95
107
128
154
172
196
241
289
H (MM)
209
215
225
238
253
288
305
352
385
H1 (MM)
27
31
33
41
46
58
65
89
105