U-PVC ОДНОСТОРОННЯЯ ЛАТУННЫЙ ШАРОВОЙ КЛАПАН ДЛЯ ВОДЫ С НАРУЖНОЙ РЕЗЬБОЙ КЛЕЕВОЙ

1fbf7d9b310af7cfa3f49a467a25df51
c482e18648d2a96b3733f186bcd419de
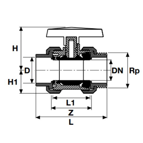
ДИАМЕТР DIA
20
25
32
40
50
63
PN
PN16
PN16
PN16
PN16
PN16
PN16
(PN)
PN16
PN16
PN16
PN16
PN16
PN16
АРТИКУЛ
243200202
243200252
243200322
243200402
243200502
243200632
L ( MM )
85
95
107
128
154
172
L (MM)
85
95
107
128
154
172
H (MM)
47
51
63
67
86
101
H1 (MM)
27
31
33
41
46
58