U-PVC ШАРОВОЙ КЛАПАН ПНЕВМАТИЧЕСКИЙ ПРИВОД ДВОЙНОГО ДЕЙСТВИЯ ОДНОСТОРОННЯЯ ВНУТРЕННЯЯ РЕЗЬБА

494eb8aef723beebabd2fafb165705ab
b8569dea9122df011e971bcf41b01396
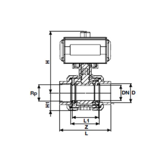
ДИАМЕТР DIA
20
25
32
40
50
63
75
90
110
PN
PN16
PN16
PN16
PN16
PN16
PN16
PN16
PN16
PN16
(PN)
PN16
PN16
PN16
PN16
PN16
PN16
PN16
PN16
PN16
АРТИКУЛ
339000202
339000252
339000322
339000402
339000502
339000632
339000702
339000902
339001102
L ( MM )
85
95
107
128
154
172
196
241
289
L (MM)
85
95
107
128
154
172
196
241
289
H (MM)
131
133
141
157
182
218
228
252
276
H1 (MM)
27
31
33
41
46
58
65
89
105