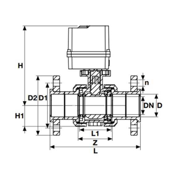
U-PVC ШАРОВОЙ КЛАПАН TRUE UNION С ЭЛЕКТРИЧЕСКИМ ПРИВОДОМ С БОЛТОВЫМИ СТОРОНАМИ, ФЛАНЦЕВЫМИ ДЛЯ КИСЛОТЫ 24 V DC / 24 V AC

1703e8177f63cc52ffb052c6a8cf7368
86c7b6da02e1b2c393a35bba8ced9a24
ДИАМЕТР DIA
20
25
32
40
50
63
75
90
110
(PN)
PN16
PN16
PN16
PN16
PN16
PN16
PN16
PN16
PN16
АРТИКУЛ
306100202
306100252
306100322
306100402
306100502
306100632
306100752
306100902
306101102
L (MM)
123
140
158
186
231
253
291
353
431
H (MM)
209
215
225
238
253
288
305
352
385
H1 (MM)
27
31
33
41
46
58
65
89
105