U-PVC ШАРОВОЙ КЛАПАН TRUE UNION С ЭЛЕКТРИЧЕСКИМ ПРИВОДОМ С БОЛТОВЫМИ СТОРОНАМИ, ФЛАНЦЕВЫМИ ДЛЯ ВОДЫ 24 V DC / 24 V AC

42c50bd107f24bed18e2983c85def4ed
99b1e9a1fb0f59b5714112f4395f06ed
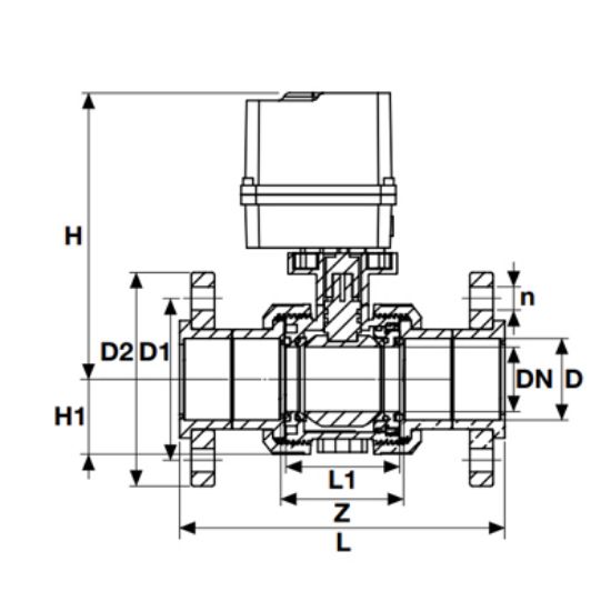
ДИАМЕТР DIA
20
25
32
40
50
63
75
90
110
PN
PN16
PN16
PN16
PN16
PN16
PN16
PN16
PN16
PN16
(PN)
PN16
PN16
PN16
PN16
PN16
PN16
PN16
PN16
PN16
АРТИКУЛ
306000202
306000252
306000322
306000402
306000502
306000632
306000752
306000902
306001102
L ( MM )
123
140
158
186
231
253
291
353
431
L (MM)
123
140
158
186
231
253
291
353
431
H (MM)
209
215
225
238
253
288
305
352
385
H1 (MM)
27
31
33
41
46
58
65
89
105