U-PVC ПОВОРОТНЫЕ ЗАТВОРЫ, УСТАНАВЛИВАЕМЫЕ НА ПРИВОД, БЕЗ ФЛАНЦА ДЛЯ КИСЛОТЫ

d889415549dc48da90cad4ac8d5f5953
7355224b5d2d3b0e9d1ab219472fac46
ДИАМЕТР DIA
63
75
90
110
125
140
160
200
225
250
280
315
355
400
ДИАМЕТР
63
75
90
110
125
140
160
200
225
250
280
315
355
400
PN
PN10
PN10
PN10
PN10
PN10
PN10
PN10
PN10
PN10
PN10
PN10
PN10
PN6
PN6
(PN)
PN10
PN10
PN10
PN10
PN10
PN10
PN10
PN10
PN10
PN10
PN10
PN10
PN6
PN6
АРТИКУЛ
300010634
300010754
300010904
300011104
300011254
300011404
300011604
300012004
300012254
300012504
300012804
300013154
300013554
300014004
КОД
300010634
300010754
300010904
300011104
300011254
300011404
300011604
300012004
300012254
300012504
300012804
300013154
300013554
300014004
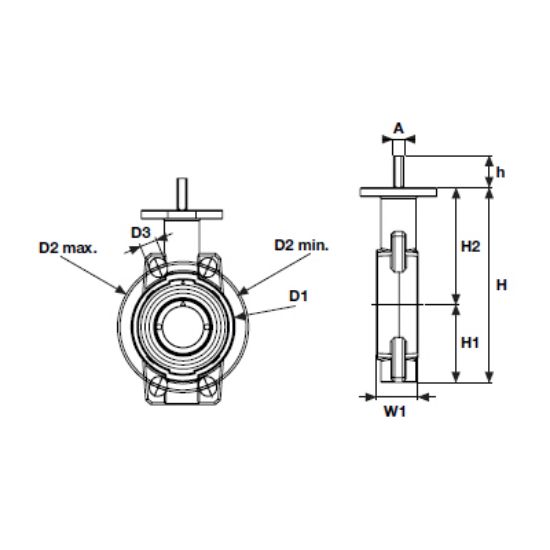
D1 (MM)
104
115
131
160
190
190
214
268
268
333
333
379
535
595
H (MM)
15
15
15
15
15
15
15
15
15
20
20
20
20
20