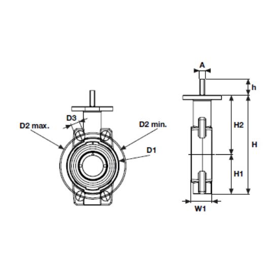
U-PVC ПОВОРОТНЫЕ ЗАТВОРЫ, УСТАНАВЛИВАЕМЫЕ НА ПРИВОД, БЕЗ ФЛАНЦА ДЛЯ ВОДЫ

367b59bdbcb60a3528a30fb6652bc857
4458403d37d827537227fdd3af89bd05
ДИАМЕТР DIA
63
75
90
110
125
140
160
200
225
250
280
315
355
400
PN
PN10
PN10
PN10
PN10
PN10
PN10
PN10
PN10
PN10
PN10
PN10
PN10
PN6
PN6
(PN)
PN10
PN10
PN10
PN10
PN10
PN10
PN10
PN10
PN10
PN10
PN10
PN10
PN6
PN6
АРТИКУЛ
300000634
300000754
300000904
300001104
300001254
300001404
300001604
300002004
300002254
300002504
300002804
300003154
300003554
300004004
D1 (MM)
104
115
131
160
190
190
214
268
268
333
333
379
535
595
H (MM)
15
15
15
15
15
15
15
15
15
20
20
20
20
20