U-PVC ЭЛЕКТРИЧЕСКИЙ ПРИВОД ПОВОРОТНОГО ЗАТВОРА 24 В DC/24 В AC БЕЗ ФЛАНЦА ДЛЯ КИСЛОТЫ

b3075f9eb0bc346bc7dea2ca1e39334c
192c894e505beae521df7e41ae046447
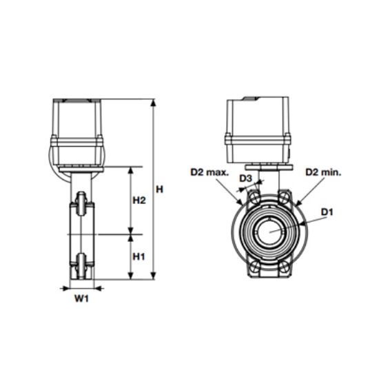
ДИАМЕТР DIA
63
75
90
110
125
140
160
200
225
250
280
315
355
400
PN
PN10
PN10
PN10
PN10
PN10
PN10
PN10
PN10
PN10
PN10
PN10
PN10
PN6
PN6
(PN)
PN10
PN10
PN10
PN10
PN10
PN10
PN10
PN10
PN10
PN10
PN10
PN10
PN6
PN6
АРТИКУЛ
302010634
302010754
302010904
302011104
302011254
302011404
302011604
302012004
302012254
302012504
302012804
302013154
302013554
302014004
D1 (MM)
104
115
131
160
190
190
214
268
268
333
333
379
535
595
H (MM)
256
265
272
311
338
338
364
414
414
507
507
580
620
686