U-PVC ПОВОРОТНЫЕ ЗАТВОРЫ С ПНЕВМАТИЧЕСКИМ ПРИВОДОМ ДВОЙНОГО ДЕЙСТВИЯ С ФЛАНЦЕВЫМ АДАПТЕРОМ ДЛЯ КИСЛОТЫ

653d0ab3aff1a54a8e2714fb222d2b4b
a9437dbae11a0d18af52383505e687d8
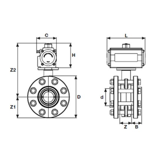
ДИАМЕТР DIA
63
75
90
110
125
140
160
200
225
250
280
315
355
400
PN
PN10
PN10
PN10
PN10
PN10
PN10
PN10
PN10
PN10
PN10
PN10
PN10
PN6
PN6
(PN)
PN10
PN10
PN10
PN10
PN10
PN10
PN10
PN10
PN10
PN10
PN10
PN10
PN6
PN6
АРТИКУЛ
319010634
319010754
319010904
319011104
319011254
319011404
319011604
319012004
319012254
319012504
319012804
319013154
319013554
319014004
D (MM)
165
185
200
220
250
250
285
340
340
395
395
445
 
 
H (MM)
90
90
108
120
120
120
130
140
140
153
153
175