U-PVC ПОВОРОТНЫЕ ЗАТВОРЫ С ПНЕВМАТИЧЕСКИМ ПРИВОДОМ ДВОЙНОГО ДЕЙСТВИЯ С ФЛАНЦЕВЫМ ПЕРЕХОДНИКОМ ДЛЯ КИСЛОТЫ (304. ВИНТ, ГАЙКА, ШАЙБА)

188004a5b290aa5477eb0ce7ab82d470
ca08ce6bc67f3f5b4bcc5af8ad0f0528
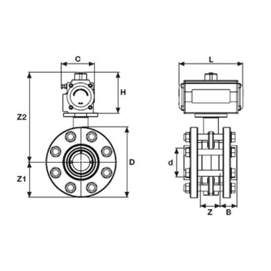
ДИАМЕТР DIA
63
75
90
110
125
140
160
200
225
250
280
315
355
400
PN
PN10
PN10
PN10
PN10
PN10
PN10
PN10
PN10
PN10
PN10
PN10
PN10
PN6
PN6
(PN)
PN10
PN10
PN10
PN10
PN10
PN10
PN10
PN10
PN10
PN10
PN10
PN10
PN6
PN6
АРТИКУЛ
320100634
320100754
320100904
320101104
320101254
320101404
320101604
320102004
320102254
320102504
320102804
320103154
320103554
320104004
D (MM)
165
185
200
220
250
250
285
340
340
395
395
445
 
 
H (MM)
90
90
108
120
120
120
130
140
140
153
153
175