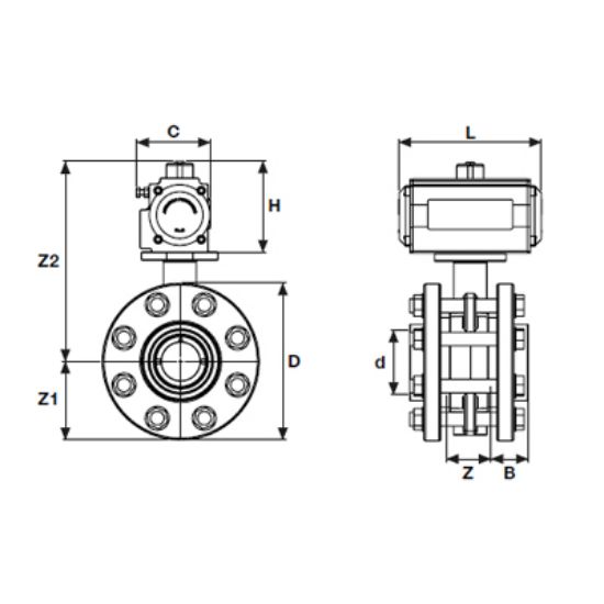
U-PVC ПОВОРОТНЫЕ ЗАТВОРЫ С ПНЕВМАТИЧЕСКИМ ПРИВОДОМ ДВОЙНОГО ДЕЙСТВИЯ С ФЛАНЦЕВЫМ ПЕРЕХОДНИКОМ ДЛЯ КИСЛОТЫ (ВИНТ, ГАЙКА, ШАЙБА ИЗ НЕРЖ. СТАР. 316)

4425a0cb5709645f78149c5dbe025e87
0819043b72b828ccecd55910fee4ee5e
ДИАМЕТР DIA
63
75
90
110
125
140
160
200
225
250
280
315
355
400
ДИАМЕТР
63
75
90
110
125
140
160
200
225
250
280
315
355
400
PN
PN10
PN10
PN10
PN10
PN10
PN10
PN10
PN10
PN10
PN10
PN10
PN10
PN6
PN6
(PN)
PN10
PN10
PN10
PN10
PN10
PN10
PN10
PN10
PN10
PN10
PN10
PN10
PN6
PN6
АРТИКУЛ
321010634
321010754
321010904
321011104
321011254
321011404
321011604
321012004
321012254
321012504
321012804
321013154
321013554
321014004
КОД
321010634
321010754
321010904
321011104
321011254
321011404
321011604
321012004
321012254
321012504
321012804
321013154
321013554
321014004
D (MM)
165
185
200
220
250
250
285
340
340
395
395
445
 
 
H (MM)
90
90
108
120
120
120
130
140
140
153
153
175