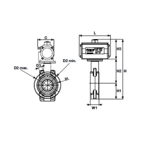
U-PVC ПОВОРОТНЫЕ ЗАТВОРЫ С ПНЕВМАТИЧЕСКИМ ПРИВОДОМ ДВОЙНОГО ДЕЙСТВИЯ БЕЗ ФЛАНЦА ДЛЯ ВОДЫ

393d506dc16bab6175c0b32b34674478
de9d8628fb8c1accb1e6a9514cff65ef
ДИАМЕТР DIA
63
75
90
110
125
140
160
200
225
250
280
315
355
400
PN
PN10
PN10
PN10
PN10
PN10
PN10
PN10
PN10
PN10
PN10
PN10
PN10
PN6
PN6
(PN)
PN10
PN10
PN10
PN10
PN10
PN10
PN10
PN10
PN10
PN10
PN10
PN10
PN6
PN6
АРТИКУЛ
318000634
318000754
318000904
318001104
318001254
318001404
318001604
318002004
318002254
318002504
318002804
318003154
318003554
318004004
D1 (MM)
54
57
131
160
190
190
214
268
268
333
333
379
345
 
L ( MM )
147
147
168
184
184
184
204
262
262
268
268
296
525
 
L (MM)
147
147
168
184
184
184
204
262
262
268
268
296
525
 
H (MM)
303
307
307
379
405
405
441
501
501
593
593
668
670