U-PVC ПОВОРОТНЫЕ ЗАТВОРЫ С ПНЕВМАТИЧЕСКИМ ПРИВОДОМ ОДИНАРНОГО ДЕЙСТВИЯ С ФЛАНЦЕВЫМ ПЕРЕХОДНИКОМ ДЛЯ КИСЛОТЫ (ВИНТ ИЗ НЕРЖ. СТАР. 304, ГАЙКА, ШАЙБА)

36c54f92768a828b610460c0196bf93d
a6029b8e8a447ea1e21ccebb0aefb93b
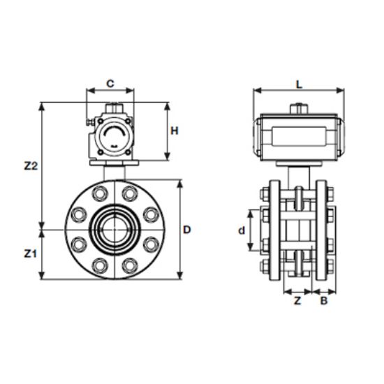
ДИАМЕТР DIA
63
75
90
110
125
140
160
200
225
250
280
315
355
400
PN
PN10
PN10
PN10
PN10
PN10
PN10
PN10
PN10
PN10
PN10
PN10
PN10
PN6
PN6
(PN)
PN10
PN10
PN10
PN10
PN10
PN10
PN10
PN10
PN10
PN10
PN10
PN10
PN6
PN6
АРТИКУЛ
314001634
314001754
314001904
314011104
314011254
314011404
314011604
314012004
314012254
314012504
314012804
314013154
314013554
314014004
D (MM)
165
185
200
220
250
250
285
340
340
395
395
445
 
 
H (MM)
90
90
108
120
120
120
130
140
140
153
153
175