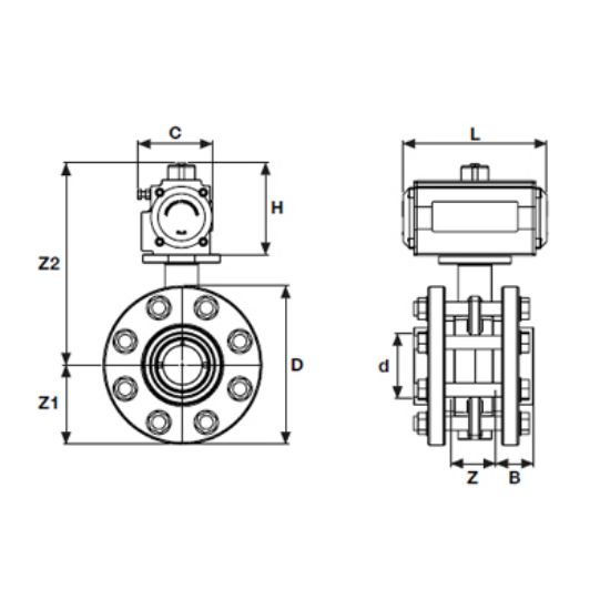
U-PVC ПОВОРОТНЫЕ ЗАТВОРЫ С ПНЕВМАТИЧЕСКИМ ПРИВОДОМ ОДИНАРНОГО ДЕЙСТВИЯ С ФЛАНЦЕВЫМ ПЕРЕХОДНИКОМ ДЛЯ КИСЛОТЫ (ВИНТ ИЗ НЕРЖ. СТАР. 316, ГАЙКА, ШАЙБА)

d6b7e741be7b87c9877cf62fa8cd7f71
a2fa677bc2080cade93d5a9d3f5f6086
ДИАМЕТР DIA
63
75
90
110
125
140
160
200
225
250
280
315
355
400
PN
PN10
PN10
PN10
PN10
PN10
PN10
PN10
PN10
PN10
PN10
PN10
PN10
PN6
PN6
(PN)
PN10
PN10
PN10
PN10
PN10
PN10
PN10
PN10
PN10
PN10
PN10
PN10
PN6
PN6
АРТИКУЛ
316010634
316010754
316010904
316011104
316011254
316011404
316011604
316012004
316012254
316012504
316012804
316013154
316013554
316014004
D (MM)
165
185
200
220
250
250
285
340
340
395
395
445
 
 
H (MM)
90
90
108
120
120
120
130
140
140
153
153
175