U-PVC ПОВОРОТНЫЕ ЗАТВОРЫ С ПНЕВМАТИЧЕСКИМ ПРИВОДОМ ОДИНАРНОГО ДЕЙСТВИЯ БЕЗ ФЛАНЦА ДЛЯ КИСЛОТЫ

81b06153830d79cbac0a56449ec762e2
251c4b618c55db8dd3448e245b9ae99e
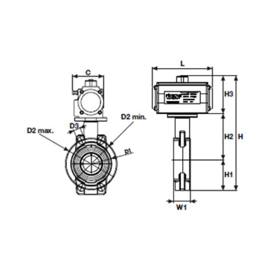
ДИАМЕТР DIA
63
75
90
110
125
140
160
200
225
250
280
315
355
400
PN
PN10
PN10
PN10
PN10
PN10
PN10
PN10
PN10
PN10
PN10
PN10
PN10
PN6
PN6
(PN)
PN10
PN10
PN10
PN10
PN10
PN10
PN10
PN10
PN10
PN10
PN10
PN10
PN6
PN6
АРТИКУЛ
312010634
312010754
312010904
312011104
312011254
312011404
312011604
312012004
312012254
312012504
312012804
312013154
312013554
312014004
D (MM)
165
185
200
220
250
250
285
340
340
395
395
445
 
 
H (MM)
90
90
108
120
120
120
130
140
140
153
153
175