U-PVC ПОВОРОТНЫЕ ЗАТВОРЫ С ПНЕВМАТИЧЕСКИМ ПРИВОДОМ ОДИНАРНОГО ДЕЙСТВИЯ БЕЗ ФЛАНЦА ДЛЯ ВОДЫ

eb516fd65dbc1a683ec538030c043c74
d086d1408d97ed0e906f37744c5fde36
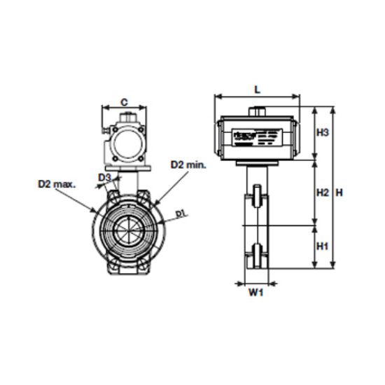
ДИАМЕТР DIA
63
75
90
110
125
140
160
200
225
250
280
315
355
400
PN
PN10
PN10
PN10
PN10
PN10
PN10
PN10
PN10
PN10
PN10
PN10
PN10
PN6
PN6
(PN)
PN10
PN10
PN10
PN10
PN10
PN10
PN10
PN10
PN10
PN10
PN10
PN10
PN6
PN6
АРТИКУЛ
310000634
310000754
310000904
310001104
310001254
310001404
310001604
310002004
310002254
310002504
310002804
310003154
310003554
310004004
D1 (MM)
54
57
131
160
190
190
214
268
268
333
333
379
345
 
L ( MM )
147
147
168
184
184
184
204
262
262
268
268
296
525
 
L (MM)
147
147
168
184
184
184
204
262
262
268
268
296
525
 
H (MM)
303
307
307
379
405
405
441
501
501
593
593
668
670