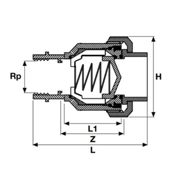
U-PVC ОДНОСТОРОННИЙ ОБРАТНЫЙ КЛАПАН С ВНУТРЕННЕЙ РЕЗЬБОЙ С ОДИНАРНОЙ ПРУЖИНОЙ

428bd259788dc873c8336cb4519d5a73
312ee926b8c218bccc2aac7c25810fff
ДИАМЕТР DIA
20
25
32
40
50
63
75
90
110
PN
PN16
PN16
PN16
PN16
PN16
PN16
PN16
PN16
PN16
(PN)
PN16
PN16
PN16
PN16
PN16
PN16
PN16
PN16
PN16
АРТИКУЛ
215100202
215100252
215100322
215100402
215100502
215100632
215100752
215100902
215101102
H (MM)
47
52
63
66
89
100
146
178
210
L / L1 (MM)
47/45
52/49
63/54
66/66
89/75
100/89
128/111
227/125
287/155
Z ( MM )
55
59
69
72
91
103
111
141
171