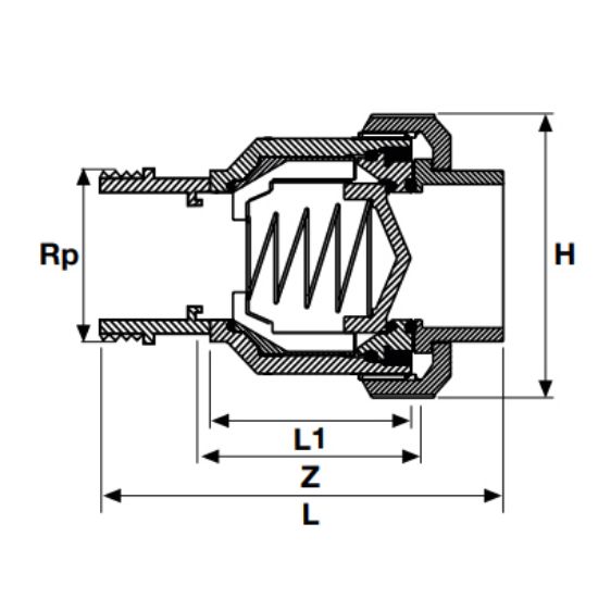
U-PVC ОДНОСТОРОННИЙ ОБРАТНЫЙ КЛАПАН С НАРУЖНОЙ РЕЗЬБОЙ ОДИНАРНОЙ ПРУЖИНОЙ UNIOPN

9a855697cf78ed4afc348a855a3d37b5
1e8c6be22f4d4d44f80ed02f342858f1
ДИАМЕТР DIA
20
25
32
40
50
63
75
90
110
PN
PN16
PN16
PN16
PN16
PN16
PN16
PN16
PN16
PN16
(PN)
PN16
PN16
PN16
PN16
PN16
PN16
PN16
PN16
PN16
АРТИКУЛ
215200202
215200252
215200322
215200402
215200502
215200632
215200752
215200902
215201102
H (MM)
47
52
63
66
89
100
146
178
210
L / L1 (MM)
47/45
52/49
63/54
66/66
89/75
100/89
128/111
227/125
287/155
Z ( MM )
55
59
69
72
91
103
111
141
171