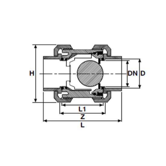
Пружинный обратный клапан нпвх

993a5b3a00d1b83ad2c17da5a81b6e66
60bcd5de0ded3f6dc49917fc7df58ddd
ДИАМЕТР DIA
20
25
32
40
50
63
75
90
110
PN
PN16
PN16
PN16
PN16
PN16
PN16
PN16
PN16
PN16
(PN)
PN16
PN16
PN16
PN16
PN16
PN16
PN16
PN16
PN16
АРТИКУЛ
217000202
217000252
217000322
217000402
217000502
217000632
217000752
217000902
217001102
L ( MM )
85
95
107
128
154
172
196
241
289
L (MM)
85
95
107
128
154
172
196
241
289
L1 (MM)
45
49
54
66
75
89
111
126
153
Z ( MM )
52
58
61
73
82
95
118
139
165