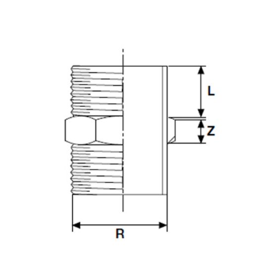
UH-PVC БАРРЕЛЬ НИПЕЛЬ

13e11a938279faf5fdea5000d06e7831
2a0a36d2677f5bde917489fd1b0c6fc4
ДИАМЕТР DIA
1/2''
3/4''
1''
1 1/4''
1 1/2''
2''
2 1/2''
3''
4''
4 1/2''
5''
6''
7''
PN
PN16
PN16
PN16
PN16
PN16
PN16
PN16
PN16
PN16
PN16
PN16
PN16
PN10
(PN)
PN16
PN16
PN16
PN16
PN16
PN16
PN16
PN16
PN16
PN16
PN16
PN16
PN10
АРТИКУЛ
520000202
520000252
520000322
520000402
520000502
520000632
520000752
520000902
520001102
520001255
520001405
520001605
520002005
L ( MM )
16
18
22
23
26
21
24
26
32
44
44
50
55
L (MM)
16
18
22
23
26
21
24
26
32
44
44
50
55
Z ( MM )
8
10
12
14
14
12
12
14
16
40
50
50
50