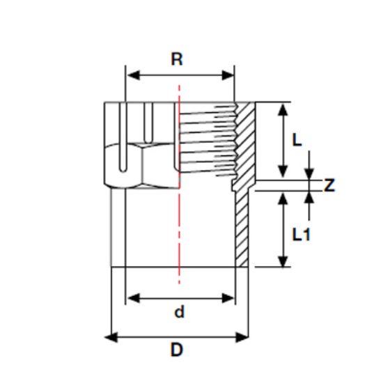
Двойной адаптер нпвх (муфтовое/втулочное окончание) С ВНУТРЕННЕЙ РЕЗЬБОЙ

d921328f212684a9fec654e8b5e7c47a
e3be37142856567cec031e05a2683e04
ДИАМЕТР DIA
1/2
3/4
1
1 1/4
1 1/2
2
2 2/1''
3''
4''
4 1/2''
5''
6''
7''
8''
9''
PN
PN16
PN16
PN16
PN16
PN16
PN16
PN16
PN16
PN16
PN16
PN16
PN10
PN10
PN10
PN10
(PN)
PN16
PN16
PN16
PN16
PN16
PN16
PN16
PN16
PN16
PN16
PN16
PN10
PN10
PN10
PN10
АРТИКУЛ
518000202
518000252
518000322
518000402
518000502
518000632
519000752
519000902
519001102
519001255
519001405
519001605
519002005
519002255
519002505