Фланец нпвх

9681a185493a4c7d16685181c0171af3
7142bcf4b8d583bbf856f0eac8456348
ДАВЛЕНИЕ PN
16
16
16
16
16
16
16
16
16
16
16
16
16
16
16
10
10
10
10
10
10
АРТИКУЛ
513 00 020 2
513 00 025 2
513 00 032 2
513 00 040 2
513 00 050 2
513 00 063 2
513 00 075 2
513 00 090 2
513 00 110 2
513 00 125 2
513 00 140 2
513 00 160 2
513 00 200 2
513 00 225 2
513 00 250 2
513 00 280 2
513 00 315 2
513 00 355 4
513 00 400 4
513 00 450 5
513 00 500 5
KG /ADET KG/PCS
0,1
0,12
0,18
0,29
0,23
0,3
0,4
0,46
0,53
0,78
0,74
0,81
1,67
1,23
2,19
1,58
2,96
 
 
 
 
INCH
1/2”
3/4”
1”
1 1/4”
1 1/2”
2”
2 1/2”
3”
4”
4 1/2”
5”
6”
7”
8”
9”
10”
12”
14”
16”
 
 
DN (mm)
15
20
25
32
40
50
65
80
100
110
125
150
175
200
250
250
300
350
400
 
 
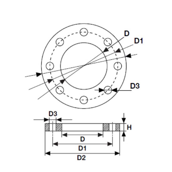
D (MM)
28
34
42
51
62
78
92
111
133
150
167
193
226
257
278
310
348
388
442
 
 
D1 (MM)
65
75
85
100
110
125
145
160
180
210
210
250
295
295
325
350
400
460
515
 
 
D2 (MM)
96
105
115
140
150
165
185
200
220
250
250
285
340
340
370
395
445
505
565
 
 
D3 (MM)
14
14
14
14
18
18
 
18
18
18
18
22
22
22
22
22
22
22
26
 
 
H (MM)
11
12
14
15
16
18
20
22
24
26
26
28
32
32
36
36
36
38
42
 
 
N (mm)
4
4
4
4
4
4
4
8
8
818
8
8
8
8
8
12
12
16
16