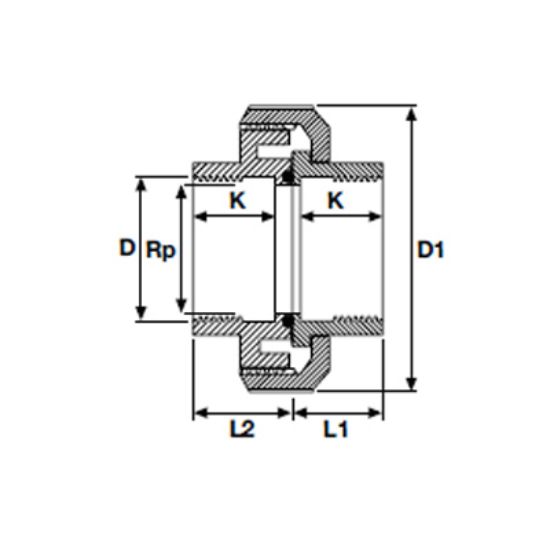
Муфта разборная нпвх С ОБЕИХ СТОРОН ВНУТРЕННЯЯ РЕЗЬБА

82bb1feceabfe2124fa5991ec37fb618
5ccb68bb842941922009cf227879b678
ДИАМЕТР DIA
16
20
25
32
40
50
63
75
90
110
(PN)
PN16
PN16
PN16
PN16
PN16
PN16
PN16
PN16
PN16
PN16
АРТИКУЛ
229000162
229000202
229000252
229000322
229000402
229000502
229000632
229000752
229000902
229001102
L ( MM )
53
54
62
65
83
93
116
129
155
178
L1 (MM)
19
19
22
25
28
38
41
47
56
66
L2 (MM)
24
24
27
30
36
42
52
54
61
71