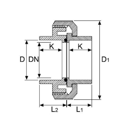
Муфта разборная нпвх

6069a2482ca8e5944485f8aafa11e67d
bd1c965bb8ac21244d313686003bd209
ДИАМЕТР DIA
16
20
25
32
40
50
63
75
90
110
(PN)
PN16
PN16
PN16
PN16
PN16
PN16
PN16
PN16
PN16
PN16
АРТИКУЛ
227000162
227000202
227000252
227000322
227000402
227000502
227000632
227000752
227000902
227001102
L ( MM )
53
54
62
65
83
93
116
129
155
178
L1 (MM)
19
19
22
25
28
38
41
47
56
66
L2 (MM)
24
24
27
30
36
42
52
54
61
71